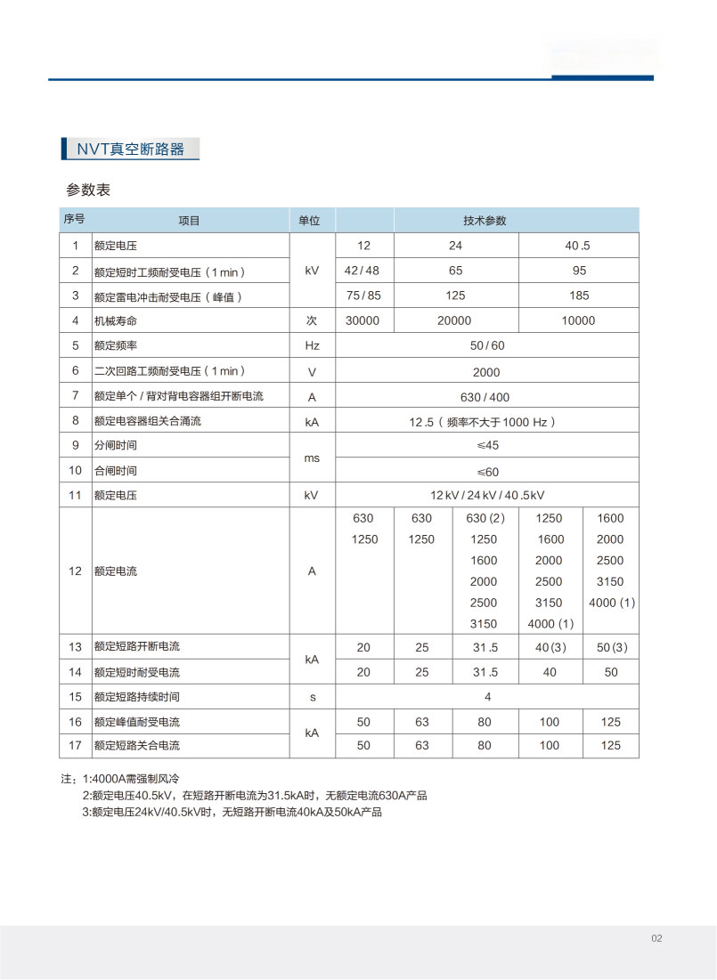
6NTV(NVT)真空断路器

●6NTV(NVT)型系列户内中高压断路器(以下简称断路器)适用于40.5kV及以下电力系统的户内开关设备,作为电网、工矿企业等的电力保护和控制。并且适合于要求额定工作电流的频繁操作,或多次开断短路电流的场所。


●产品涵盖12kV(550柜宽)、24kV、40.5kV落地式(中置式)。


●6NTV(NVT)系列户内中高压真空断路器具有固定式和手车式两种安装方式,40.5kV又分移开落地式和中置式两种均可以方便地实现机械“五防联锁”。既可直接安装在各类型的固定式开关柜内亦可配装在各类型可移开式开关柜的手车。


CopyRight © 2019-2025   常州纳图  版权所有  苏ICP备2022044643号-1  网站地图